• О компании
  • Услуги
  • Вакансии
  • Статьи
  • Сотрудничество
  • Поставщикам
  • Контакты

Инженерные коммункации частных и коммерческих объектов

mail@termosalon.com

Узнать стоимость

+7 (495) 775-87-55
+7 (926) 082-06-40
Заказать звонок
  • Проектирование
    • Отопление
    • Котельная
    • Водоснабжение
    • Канализация
    • Водоподготовка
    • Вентиляция
    • Кондиционирование
    • Бассейны
    • Электрика
    • Солнечная энергетика
    • Наружные сети
    • Тепловые насосы
  • Снабжение
  • Монтаж
    • Отопление
    • Котельная
    • Водоснабжение
    • Канализация
    • Водоподготовка
    • Вентиляция
    • Кондиционирование
    • Бассейны
    • Электрика
    • Солнечная энергетика
    • Наружные сети
    • Тепловые насосы
  • Сервис
    • Отопление
    • Котельная
    • Водоснабжение
    • Канализация
    • Водоподготовка
    • Вентиляция
    • Кондиционирование
    • Бассейны
    • Электрика
    • Солнечная энергетика
    • Наружные сети
    • Тепловые насосы
  • Наши объекты
  • Цены
  • Главная
  • Наши объекты
  • Примеры проектных документов
  • Proj5_6
Главная Главная » Примеры проектных документов » Proj5_6
К обзорной странице категории
Общее количество фотографий во всех категориях: 296
Доступ ко всем фотографиям вместе: 27,504
TOP 12: Лучшие оценки - Самые новые - Последние комментарии - Самые популярные

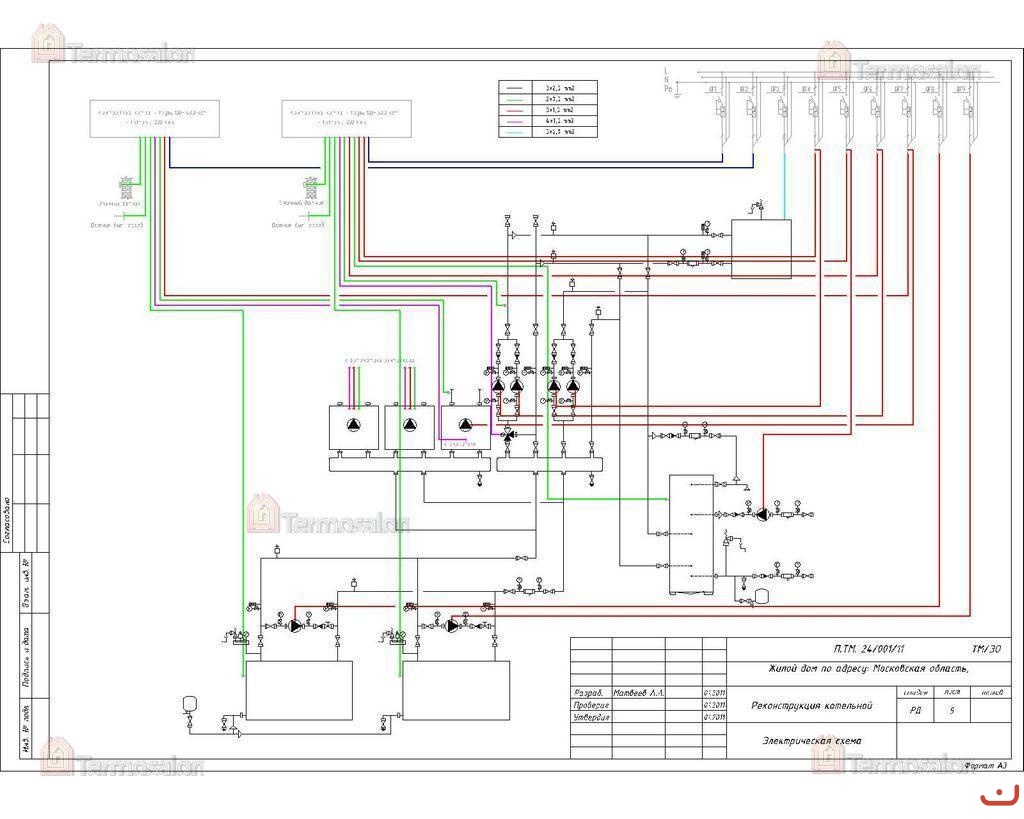
Proj5_6

Proj5_6
Начало Показать в оригинальном размере
[Пожалуйста, включите JavaScript, чтобы видеть слайдшоу]
Назад Назад
Фото 14 из 15  
Показать в оригинальном размере Скачать Пожаловаться на это фотографию
 
  • Pr5_2
  • Pr5_3
  • Pr5_4
  • Pr5_5
  • Pr5_6
  • Pr5_7
  • Pr5_8
  • Pr5_9
  • Pr5_10
  • Proj5_1
  • Proj5_2
  • Proj5_3
  • Proj5_4
  • Proj5_5
  • Proj5_6

Информация о фото

Дата
19.07.2016
Просмотры
114
Downloads
80
Оценка
Нет 
Размер файла
72.33 Кб (400 x 319 пикселей)
Автор
Нет данных
Размер оригинального файла
87.98 Кб (1024 x 819 пикселей)

Оценка фото

Плохо
Хорошо

Установить ссылку на эту фотографию в форуме (BBcode)

Фотографию адресовать напрямую :
Ссылка на фотографию :

Комментарии к фото

Незарегистрированным пользователям комментарии не показываются. Пожалуйста, зарегистрируйтесь...
http://termosalon.com/media/joomgallery/images/smilies/grey/sm_smile.gif http://termosalon.com/media/joomgallery/images/smilies/grey/sm_cool.gif http://termosalon.com/media/joomgallery/images/smilies/grey/sm_biggrin.gif http://termosalon.com/media/joomgallery/images/smilies/grey/sm_wink.gif
http://termosalon.com/media/joomgallery/images/smilies/grey/sm_none.gif http://termosalon.com/media/joomgallery/images/smilies/grey/sm_mad.gif http://termosalon.com/media/joomgallery/images/smilies/grey/sm_sad.gif http://termosalon.com/media/joomgallery/images/smilies/grey/sm_dead.gif

BBCode вкл.

 
 

Переслать приятелю

Пожалуйста, зарегистрируйтесь...
 
TOP 12: Лучшие оценки - Самые новые - Последние комментарии - Самые популярные
Общее количество фотографий во всех категориях: 296
К обзорной странице категории
Powered by JoomGallery

г. Москва,
ул. Старобитцевская, д.9

+7 (495) 775-87-55
многоканальный

mail@termosalon.com
Напишите нам
Проектирование
  • Отопление
  • Водоснабжение
  • Канализация
  • Котельная
  • Тепловые насосы
  • Наружные сети
  • Вентиляция
  • Кондиционирование
  • Электроснабжение
  • Солнечная энергетика
Снабжение
  • Комплексная поставка оборудования
  • Септики и станции глубокой биологической очистки
  • Интернет-магазин
Монтаж
  • Отопление
  • Водоснабжение
  • Канализация
  • Котельная
  • Тепловые насосы
  • Наружные сети
  • Вентиляция
  • Кондиционирование
  • Электроснабжение
  • Солнечная энергетика
  • Бассейны
  • Водоподготовка
Производство
  • Кессоны
  • Кессон-комплект с оборудованием
  • Погреба
  • Коллекторы, гидрострелки
Сервис
Наши объекты
Отзывы
Цены
О нас
  • О нас
  • Новости
  • Статьи
  • Вакансии
  • Сотрудничество
  • Поставщикам
Контакты
© 2010-2019 Термосалон
Разработка сайта – DK promo
Заказать звонок
Напишите нам